Caracterização anatômica da madeira de Lobeira (Solanum lycocarpum a. st. Hil.)

Autores/as

  • Ismael Martins Pereira Universidade Estadual de Goiás - Unidade Universitária de Ipameri
  • José Rosa Paim Neto Universidade Estadual de Goiás - Unidade Universitária de Ipameri

Resumen

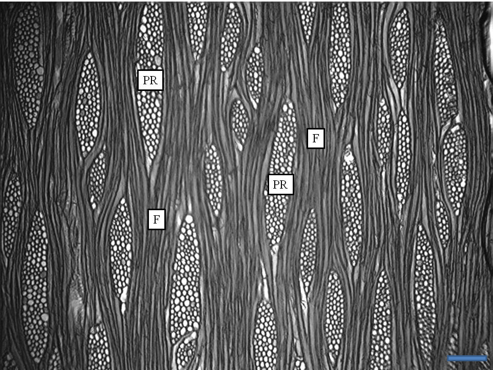
Neste trabalho realizou-se caracterização anatômica da madeira de lobeira (Solanum lycocarpum), objetivando o conhecimento da estrutura anatômica, aliando-os às propriedades físicas como resistência mecânica, trabalhabilidade e potenciais usos. Os resultados da anatomia da madeira indicaram 27% de tecido parenquimático radial multisseriado e escasso parênquima axial. As fibras são muito curtas, com médias 766 x 25,7 μm comprimento e largura, representando 57,9% do tecido lenhoso. A porosidade é difusa com frequência média de 7 vasos mm². Os vasos são predominantes solitários, menos frequentemente geminados ou em cacho, com diâmetro médio 103μm, caracterizado como textura média, perfazendo 15% do tecido lenhoso e estatisticamente diferente entre as áreas 1 e 2. 0s raios são multisseriados com médias 457μm de altura e 77μm de largura. Apesar da maior porcentagem de fibras, a abundância de parênquima e vasos contribui para menor densidade, menor resistência mecânica e durabilidade natural. Conclui-se que a madeira da lobeira não constitui recurso madeireiro com potencial econômico tradicional.  Entretanto, ressalta-se que outros usos podem ser encontrados, já que esta apresenta fibras curtas com boas características para fabricação de papéis especiais. Dessa forma, ressalta-se que as informações obtidas neste trabalho constituem importante meio para melhor conhecimento desta espécie e consequentemente melhor utilização de seus recursos como, por exemplo, a madeira.

Descargas

Los datos de descarga aún no están disponibles.

Biografía del autor/a

  • Ismael Martins Pereira, Universidade Estadual de Goiás - Unidade Universitária de Ipameri
    Ecologia Vegetal, Dendrologia e Anatomia da Madeira
  • José Rosa Paim Neto, Universidade Estadual de Goiás - Unidade Universitária de Ipameri
    Graduando em Engenharia Florestal

Publicado

2012-09-10

Número

Sección

Ciências Biológicas